PRODUKTY
 
česky english deutsch по-ру́сски
TopGrafika

Вентиляторы RVI
315, 400, 500, 630, 800, 1000 и 1250


Содержание

  1.  Характеристики производительности вентиляторов
  2. Описание
  3. Применение
  4. Условия эксплуатации
  5. Основные параметры соединений
  6. Маркировка

    1.  Характеристики производительности вентиляторов

     



    Výkonové charakteristiky jednotlivých ventilátorů

    Диапазон мощности вентилятора RVI 315
    Диапазон мощности вентилятора RVI 400
    Диапазон мощности вентилятора RVI 500
    Диапазон мощности вентилятора RVI 630
    Диапазон мощности вентилятора RVI 800
    Диапазон мощности вентилятора RVI 1000
    Диапазон мощности вентилятора RVI 1250

    2. Описание

    Вентиляторы RVI – это радиальные вентиляторы высокого давления одностороннего забора воздуха размеров 315, 400, 500, 630, 800, 1000 и 1250. Вентиляторы приводятся в движение при помощи электромоторов напрямую или посредством гибкой муфты. Для изменения мощности вентилятора можно использовать у одного размера вентилятора восемь различных рабочих шкивов (№№ 1, 2, 3, 4, 5, 6, 7 и 8). Вентиляторы не имеют регулятор мощности - это надо решать в подключаемых воздуховодах. Вентиляторы можно устанавливать прямо на бетонный фундамент или при помощи амортизаторов. При транспортировке воздушной смеси при температурой выше +70 °C используются вентиляторы с подсоединением посредством муфты, при температуре выше +100 °C подшипники охлаждаются охлаждающим диском, укрепленным на вал между спиральным корпусом вентилятора и подшипником. Вентиляторы производятся в нормальном исполнении, размер 630 дополнительно в бронированном варианте (т.е. усиленный рабочий шкив и спиральный корпус вентилятора усилен заменяемым вкладышем).

    3.Применение

    Вентиляторы нормального исполнения используются для транспортировки чистой или загрязненной не абразивными частицами воздушной смеси. Вентиляторы бронированного типа применяются для перекачки воздушной смеси с абразивными примесями. Вентиляторы нельзя использовать для транспортировки взрывоопасной воздушной смеси коррозийного характера, воздушной смеси, содержащей волокнистую пыль, и воздушной смеси с примесями, которые могли бы вызвать налипание.
    Вентиляторы RVI хорошо подходят для проветривания силосов, наиболее часто используются типы RVI 500 и RVI 630.

    4. Условия эксплуатации

    Вентиляторы, подсоединяемые напрямую, используются для транспортировки чистой воздушной смеси без абразивных примесей при температуре от -20 °C до +70 °C. Вентиляторы, подсоединяемые через муфту, используются для перекачки воздушной смеси без абразивных примесей при температуре от -20 °C до +250 °C. Вентиляторы отвечают требованиям для транспортировки воздушной смеси и размещения их во взрывоопасной зоне (BNV-ČSN 33 2320), при температуре окружающей среды от -20 °C до +40 °C.

    5. Основные параметры соединений

    RVI исполнение для подсоединения напрямую


    Rozměry
    (mm, kg)
    Velikost ventilátoru
    315
    400
    500
    630
    800
    1000
    1250
    A
    180
    225
    280
    355
    450
    560
    710
    B 100
    110
    140
    180
    225
    280
    355
    C
    250
    317
    402
    498
    635
    790
    990
    D
    180
    225
    280
    355
    450
    560
    710
    E
    211
    260
    330
    411
    528
    652
    821
    F
    302
    377
    475
    586
    748
    930
    1169
    G
    84
    90
    107
    126
    117,5
    145
    -
    H
    375
    465
    580
    730
    925
    950
    1150**
    1200
    1450**
    J
    257
    319
    403
    496
    633
    786
    989
    K
    428
    565
    730
    921
    932
    1045
    1415
    L
    120
    120
    150
    180
    194
    230
    325
    M
    294
    370
    460
    580
    900
    1100
    1450
    N
    324
    400
    490
    620
    960
    1160
    1500
    P
    186
    214
    257
    285
    335
    395
    -
    d
    14
    14
    14
    14
    19
    19
    19
    p 2
    2
    2
    3
    3
    3
    4
    u
    120
    160
    200
    200
    160
    160
    300
    s
    17
    35
    42
    20
    70
    70
    -
    Hmotnost *   35
    52
    101
    200
    410
    595
    610**
    950
    965**

    * Масса без двигателя
    ** Для поворота спирального корпуса вентилятора от 0 до 45°.

    RVI исполнения для подсоединения через муфту

    Rozměry
    (mm, kg)
    Velikost ventilátoru
    315
    400
    500
    630
    800
    1000
    1250
    A
    180
    225
    280
    355
    450
    560
    710
    B 100
    110
    140
    180
    225
    280
    355
    C
    250
    317
    402
    498
    635
    790
    990
    D
    180
    225
    280
    355
    450
    560
    710
    E
    211
    260
    330
    411
    528
    652
    821
    F
    302
    377
    475
    586
    748
    930
    1169
    G
    85 63 78
    99
    117,5
    145
    182,5
    H
    375
    465
    580
    730
    925
    950
    1200
    J
    257
    319
    403
    496
    633
    786
    989
    K
    919
    1172
    1451
    1571
    1370
    1880
    1917
    2375
    2508
    L
    120
    120
    150
    180
    153
    230
    325
    M
    294
    370
    460
    580
    450 1100
    1450
    N
    324
    400
    490
    620
    510
    1160
    1500
    P
    -
    -
    -
    -
    320 390
    470
    T - - - - 260 260 750
    d
    14
    14
    14
    14
    18 19
    19
    p 2
    3
    3
    2
    2
    4 5 5
    u
    320 320
    370 500
    700
    375
    375
    375
    s
    50 48
    48
    108
    51
    101
    50 60 60
    Hmotnost *   91 133
    215
    320
    440
    675 1065 1480

    * Масса без двигателя

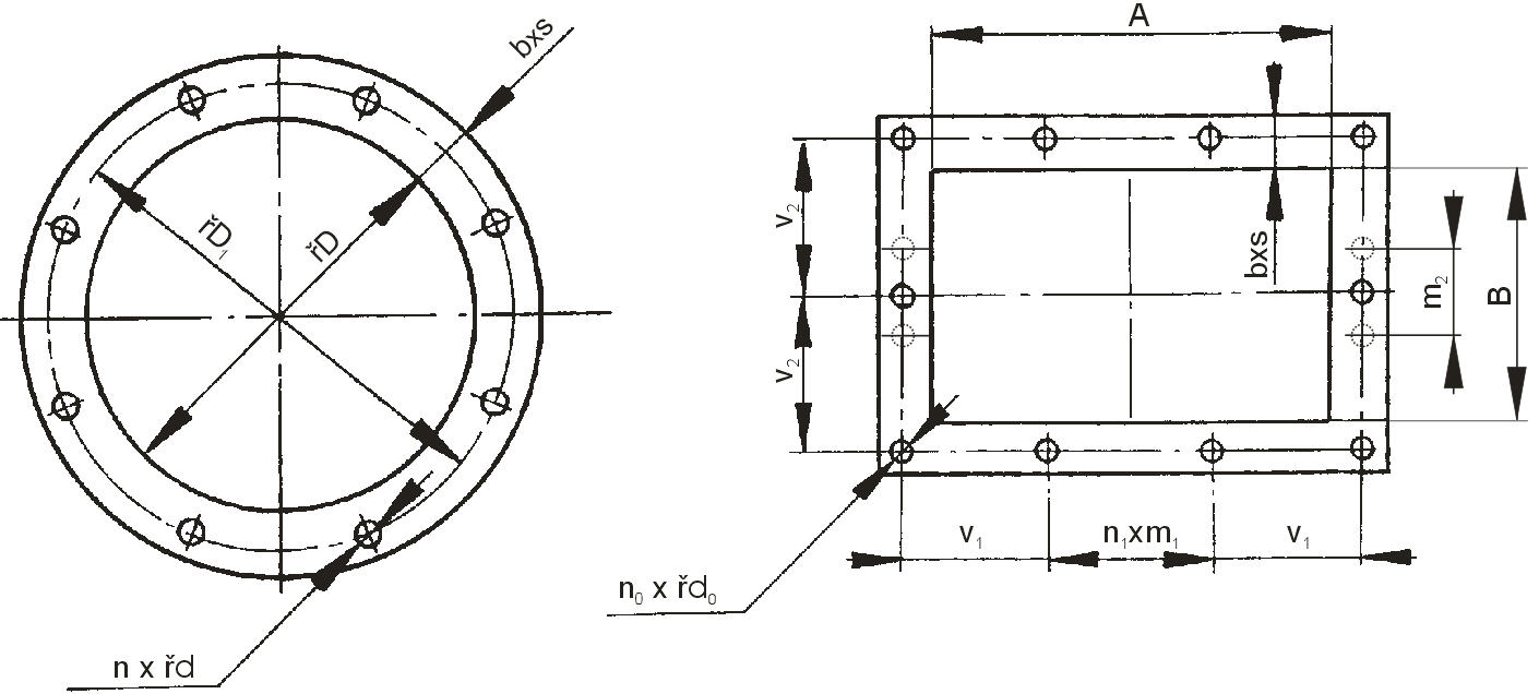
    Размеры присоединения фланцев

               

    Размеры фланца со стороны забора воздуха

    RozmРазмеры фланца со стороны нагнетания

    Velikost
    Size
    Rozměry (mm)
    D
    D1
    bxs
    n
    d
    315
    180
    215
    30x4
    8
    10
    400
    225
    260
    30x4
    8
    10
    500
    280
    313
    30x4
    8
    10
    630
    355
    390
    30x10
    12
    10
    800
    450
    495
    40x10
    12
    12
    1000
    560
    605
    40x10
    16
    12
    1250
    710
    760
    45x12
    20
    15
    Velikost
    Size
    Rozměry (mm)
    A
    B
    bxs
    n0
    d0
    n
    m1
    v1
    m2
    v1
    315
    180
    215
    30x4
    8
    10
    -
    -
    107
    -
    67
    400
    225
    260
    30x4
    8
    10
    1
    100
    79,5
    -
    72
    500
    280
    313
    30x4
    8
    10
    1
    100
    107
    -
    87
    630
    355
    390
    30x10
    12
    10
    2
    100
    94,5
    -
    107
    800
    450
    495
    40x10
    12
    12
    3
    100
    97
    100
    84,5
    1000
    560
    605
    40x10
    16
    12
    4
    100
    102
    100
    112
    1250
    710
    760
    45x12
    20
    15
    4
    120
    140
    240
    202,5

    Положение спирального корпуса вентиляторов

    Положение спирального корпуса вентиляторов при виде со стороны забора воздуха

    Гибкая установка вентиляторов RVI с подсоединением напрямую

    Velikost ventilátoru Velikost motoru Výkon (kW) Typ Počet Hmotnost soustavy Výška osy od podkladu A B C D E F G H
     315 80
    1,1
    P42
    4
    50

    306
    294
    84
    186
    170
    -
    -
    126
    90S
    1,5
    52

    400 90L
    2,2
    P45
    4
    78

    374
    370
    89
    214
    170
    -
    -
    100L
    3
    84,-

    112M
    4
    91

    534
    500
    132S
    5,5
    P46
    6
    149

    457
    460
    108
    257
    220
    -
    -
    132S
    7,5
    157

    160M
    11
    167

    657
    160M
    15
    175

     
    630
    132S
    5,5
    P47
    6
    247

    685
    580
    139
    285
    280
    -
    -
    126
    160M
    15
    280

    160L
    18,5
    290

    180M
    22
    357

    885
    200L
    30
    P66
    407


    146
    200L
    37
    427


    225M
    45
    487


    800
    160M
    11
    P66
    6
    486

    815
    900
    147
    335
    260
    -
    -
    146
    160L
    15
    511

    180M
    18,5
    558

    655
    225M
    45
    P67
    8
    705


    600
    280
    250M
    55
    795



    280S
    75
    920

     
    280M
    90
    985

     
    315S
    110
    1175

    935
    100
    315M
    132




    315L
    160




    1000 160M
    7,5
    P66
    8


    685 1100 180
    395
    260
    800
    280
    146
    160L
    11
    702

    180L
    15
    750

    885
    200L
    18,5




    180M
    18,5

    747

    715
    180L
    22
    P67
    760

    200L
    30
    811

    225S
    37
    871


    225M
    45
    906


    250M
    55
    1025


    1250 200L
    18,5
    P66
    8


    978
    1450
    323
    78
    750
    750
    378
    146
    200L
    22


    225M
    30
    1328

    250M
    37
    P74
    1406

    240
    280S
    5
    1523

    280M
    55
    1580

    250M
    55
    1426

    378
    280S
    75
    1583

    280M
    90
    1650

    315S
    110
    1780

    315M
    132
    10
    1880

    78
    78
    315L
    160
    2036

    6.Маркировка

    Пример маркировки вентилятора RVI с прямым приводом, размером 630 с рабочим колесом №5 и расположением спирального корпуса вентилятора L180° :

    Вентилятор RVI 630 - 5 N - L180° PP 12 3340.2

    RVI 630 тип и размер
    5 номер рабочего колеса
    N исполнение
    L180° расположение спирального корпуса вентилятора
    PP 12 3340 номер технических условий
    .2 размещение