PRODUKTY
 
česky english deutsch по-ру́сски
TopGrafika

Filtr 40 RAV

Obsah

  1. Použití filtračního zařízení
  2. Základní technické údaje
  3. Hlavní připojovací rozměry

1. POUŽITÍ FILTRAČNÍHO ZAŘÍZENÍ

Filtrační zařízení je určeno k odsávání a filtraci suchých kovových i nekovových prachů a drobných částic. Jsou vhodné pro odsávání prachů vznikajících při různých technologických procesech. Možnost konkrétního použití filtračního zařízení je nutno konzultovat s výrobcem zařízení. Na základě toho se vytypují vhodné filtrační tkaniny. Filtr 40 RAV Z je určen pro práci v prostředí bez nebezpečí výbuchu při teplotách okolí
-10°C až +40°C. Odsavače se umisťují uvnitř budov nebo minimálně pod přístřešek zajišťující ochranu proti povětrnostním vlivům. V případě, že se odsává prach, který může být za určitých okolností výbušný musí být instalován filtr mimo technologickou linku. Nejlépe do venkovního prostředí pod přístřešek. O umístění rozhoduje investor na základě platných předpisů. Filtr 40 RAV Z je vybaven regenerací atmosferickým vzduchem. To znamená, že po určité době dojde k automatickému zpětnému profuku filtrační tkaniny a tím k jejímu pročištění. Pokud jsou do filtru nasávány hrubé nečistoty může docházet za určitých okolností ke špatné regeneraci filtrační tkaniny a k postupnému zanesení celé filtrační skříně. Filtr by měl proto nasávat vzdušinu zbavenou hrubých nečistot. Jako první stupeň filtrace před tento filtr je navržen odlučovač.
Příklad použití: odsávání a filtrace technologických linek na výrobu pelet ze slámy.

2.  POPIS

 

Typ ventilátoru
RVI 400 5N nevýbušný
Příkon elektromotoru ventilátoru 3 kW
Celkový instalovaný příkon filtru
(bez odsun.dopravníku a turniketu pod odlučovačem)
max.7 kW
Hlavní rozměry šířka x hloubka x výška 3000x3200x4800 mm
Hmotnost 1420,- kg
Filtrační plocha 39 m2
Elektromagnet EMSA 9517; 230V; AC; 490W; I jmenovitý 2,2 A; I špičkový 2,4 A 6 ks
Typ turniketu (rotačního podavače) NP 180
Příkon elektromotoru turniketu pod odlučovačem 0,25 kW
Počet filtračních hadic 48 ks
Typové označení materiálu filtračního materiálu
                                                         - rouno
                                                         - podkladová tkanina
BLUETEX CM 321393
POLYESTER SS
MATRIX
Účinnost odlučování tuhých znečišťujících látek 99,9 – 99,99 %
Výstupní koncentrace pevných látek na výstupu max.10-20 mg/m3

Typ ventilátoru se může lišit na základě členitosti technologické linky.

 

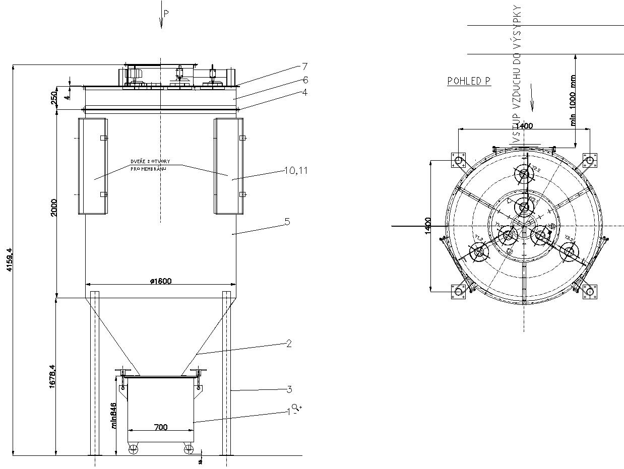
3.  HLAVNÍ PŘIPOJOVACÍ ROZMĚRY