Ventilátory RSTr 315 - 1400


Ventilátory RSTr jsou radiální středotlaké ventilátory jednostranně sací velikosti 315, 355, 400, 450, 500, 560, 630, 710, 800, 900, 1000, 1300 a 1400. Ventilátory jsou poháněny elektromotory na přímo nebo přes pružnou spojku. Pro rozšíření výkonu ventilátoru je možno u jedné velikosti ventilátorů použít několik oběžných kol. Ventilátory nemají regulaci výkonu - nutno řešit v připojovaných vzduchovodech. Ventilátory lze kotvit přímo na betonový základ nebo pružně přes izolátory. Při teplotě dopravované vzdušiny nad +120°C se používají ventilátory na spojku, při teplotě nad +100°C se ložiska chladí chladícím kotoučem nasazeným na hřídel mezi spirální skříň a ložisko. Ventilátory se vyrábí v normálním provedení. Ventilátory lze dodávat i ve speciálním odolnějším provedení.
UŽITÍ
Ventilátory se používají pro dopravu čisté nebo jemným prachem znečištěné vzdušiny pro průmyslové účely. Ventilátory nelze použít pro dopravu vzdušin obsahujících vláknitý prach a vzdušin s příměsemi, které by mohly způsobit zalepování. Ventilátory nejsou plynotěsné a nelze je proto použít pro dopravu vzdušin škodlivých a zapáchajících.
PRACOVNÍ PODMÍNKY
Ventilátory na přímo mohou dopravovat čisté vzdušiny bez abrazivních příměsí o teplotě -20°C až +120°C. Ventilátory na spojku mohou dopravovat vzdušiny bez abrazivních příměsí o teplotě -20°C až +300°C. Ventilátory vyhovují pro dopravu vzdušin a umístění v prostředí bez nebezpečí výbuchu (BNV - ČSN 33 2320) při teplotě okolí –20 °C až +40 °C. Ventilátor je možno provozovat jen ve výrobcem potvrzených parametrech podle údajů na štítku ventilátoru.
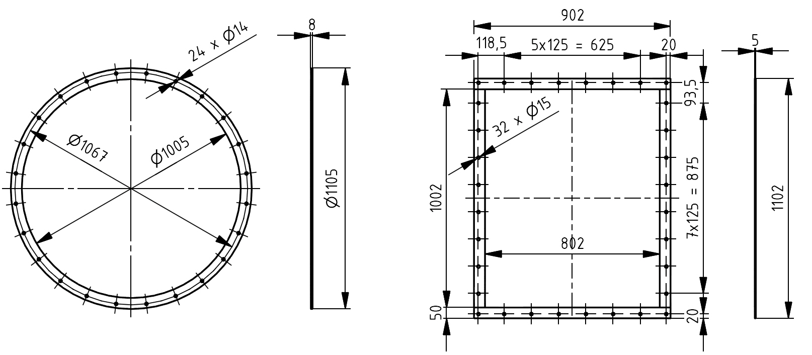
PŘIPOJOVACÍ ROZMĚRY:
RSTr na přímo:


RSTr na spojku:


RSTr na převod:


RSTr 1300:
- na přímo:

- na převod


RSTr 1400:


Připojovací rozměry přírub:

Polohy spirální skříně:
Poloha spirální skříně se určuje při pohledu ze strany sání
