Ventilátory RSC
Cirkulační ventilátory RSC 590 – 650

POPIS
Ventilátory RSC jsou radiální cirkulační s motorem na přímo ve velikostech 590, 630 a 650. Ventilátor je určen na přepravu vzduchu do teploty 120°C bez abrazivních příměsí. Ventilátory jsou poháněny přírubovými elektromotory, kde kolo ventilátoru je letmo nasazeno na hřídeli elektromotoru. Ventilátor je v provedení černém. Ventilátor nemá spirálovou skříň a svým charakterem je cirkulační. Ventilátory nemají regulaci výkonu - nutno řešit v připojovaných vzduchovodech.
UŽITÍ
Ventilátory se používají pro dopravu čisté nebo jemným prachem znečištěné vzdušiny pro průmyslové účely. Ventilátory nelze použít pro dopravu vzdušin obsahujících vláknitý prach a vzdušin s příměsemi, které by mohly způsobit zalepování. Ventilátory nejsou plynotěsné a nelze je proto použít pro dopravu vzdušin škodlivých a zapáchajících.
PRACOVNÍ PODMÍNKY
Ventilátory mohou dopravovat čisté vzdušiny bez abrazivních příměsí o teplotě -20°C až +120°C.
Ventilátor je možno provozovat jen ve výrobcem potvrzených parametrech podle údajů na štítku ventilátoru.
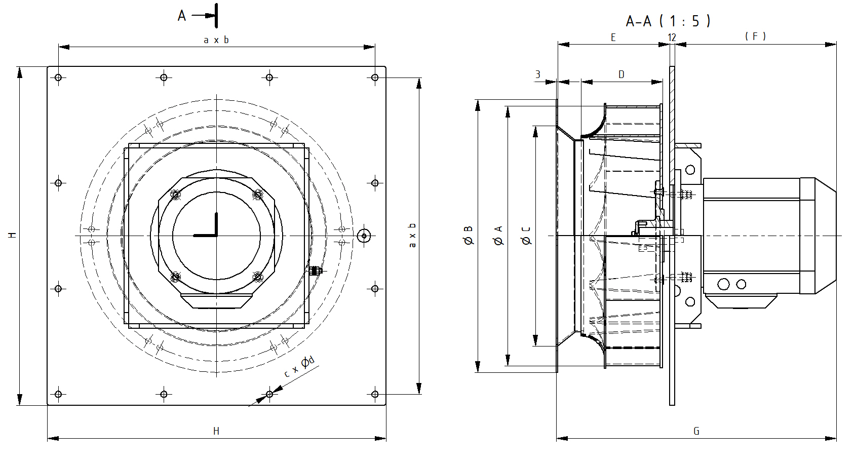
Hlavní připojovací rozměry

* Dle použitého motoru
Výkonové charakteristiky jednotlivých ventilátorů
RSC 590
RSC 630
RSC 650